Przejdź do głównej zawartości Przejdź do wyszukiwania Przejdź do głównej nawigacji
Darmowa wysyłka od 1.725 Złoty
Partner serwisowy dla ponad 50 producentów
Ponad 40 000 części zamiennych w asortymencie
+10 lat doświadczenia

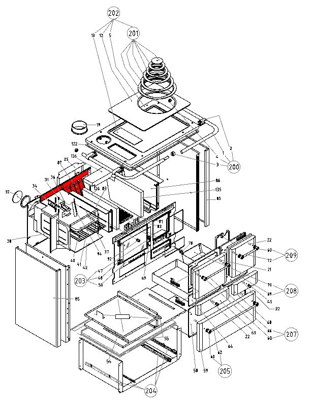
Wamsler K185F/A płyta tylnej ściany A

płyta tylnej ściany /  płyta żeliwna / płyta komory paleniskowej / płyta komory spalania

 

Informacje dot. produktu "Wamsler K185F/A płyta tylnej ściany A"

oryginał płyta tylnej ściany A do kuchenka na paliwo stałe Wamsler K185F/A

  • Nadaje się do urządzeń z rurą do smażenia po lewej stronie. Palenisko znajduje się po prawej stronie.

Wamsler K185F/A płyta tylnej ściany najważniejsze dane:

  • płyta żeliwna, płyta komory paleniskowej
  • wymiary (szer./dł./wys.) 771 mm x 490 mm x 50 mm
  • materiał odlew
  • pozycja 87 na rysunku w rozłożeniu na części
Eigenschaften "Wamsler K185F/A płyta tylnej ściany A"
Producent: Wamsler
materiał: odlew
model: K185F/A
typ części zamiennej: płyta tylnej ściany

Producent

Wamsler


DE

Podobne produkty

Tylko 9 w magazynie!
Wamsler K185F/A ruszt
oryginał ruszt do kuchenka Wamsler K185F/A Ruszt panelowy do Wamsler K185 F / A pasuje do urządzeń z przyłączem po prawej i lewej stronie. Wamsler K185F/A ruszt najważniejsze dane: ruszt żeliwny, ruszt komory spalania wymiary (szer./dł./wys.) 152 mm x 330 mm x 10 mm materiał odlew kształt prostokątny
Numer produktu: 01003005

360,81 zł*¹

Dostępny, czas dostawy: 4-6 dni

Wamsler K185F/A szyba wziernika na zewnątrz drzwi komory paleniskowej A
oryginał szyba wziernika na zewnątrz dla drzwi komory paleniskowej A do kuchenka Wamsler K185F/A Szyba drzwiowa zewnętrzna pasuje do drzwi grzewczych Wamsler K 185 F/A z połączeniem prawym i lewym. Wamsler K185F/A szyba wziernika na zewnątrz dla drzwi komory paleniskowej najważniejsze dane: szkło ceramiczne, szkło drzwi wymiary (szer./dł./wys.) 211 mm x 225 mm x 3 mm kształt płaski odporny na działanie wysokiej temperatury
Numer produktu: 01005145

973,03 zł*¹

czas dostawy ok. 5-6 tygodnie

Tylko 2 w magazynie!
Wamsler K185F/A uszczelka szyby na zewnątrz drzwi komory paleniskowej
oryginał uszczelka szyby na zewnątrz dla drzwi komory paleniskowej do kuchenka na paliwo stałe Wamsler K185F/A Wamsler K185F/A uszczelka szyby na zewnątrz dla drzwi komory paleniskowej najważniejsze dane: uszczelka szkła, sznur uszczelniający wymiary (szer./wys.) 10 mm x 3 mm długość 1,00 m samoprzylepny pozycja 122 na rysunku w rozłożeniu na części
Numer produktu: 01005146

148,23 zł*¹

Dostępny, czas dostawy: 4-6 dni

Wamsler K185F/A szyba wziernika wewnątrz drzwi komory paleniskowej A
oryginał szyba wziernika wewnątrz dla drzwi komory paleniskowej A do kuchenka Wamsler K185F/A Szyba drzwiowa wewnętrzna pasuje do drzwi grzewczych Wamsler K 185 F/A z połączeniem prawym i lewym. Wamsler K185F/A szyba wziernika wewnątrz dla drzwi komory paleniskowej najważniejsze dane: szkło ceramiczne, szkło drzwi wymiary (szer./dł./wys.) 190 mm x 197 mm x 4 mm kształt płaski odporny na działanie wysokiej temperatury pozycja 128 na rysunku w rozłożeniu na części
Numer produktu: 01005147

848,41 zł*¹

czas dostawy ok. 5-6 tygodnie

Wamsler K185F/A uszczelka drzwi drzwi komory paleniskowej
oryginał uszczelka drzwi dla drzwi komory paleniskowej do kuchenka na paliwo stałe Wamsler K185F/A Wamsler K185F/A uszczelka drzwi dla drzwi komory paleniskowej najważniejsze dane: zawias drzwiowy, uszczelka uszczelka sznurkowa długość 1,00 m średnica 4 mm
Numer produktu: 01007457

124,10 zł*¹

czas dostawy ok. 5-6 tygodnie

Tylko 2 w magazynie!
Wamsler K185F/A uszczelka szyby wewnątrz drzwi komory paleniskowej
oryginał uszczelka szyby wewnątrz dla drzwi komory paleniskowej do kuchenka na paliwo stałe Wamsler K185F/A Uszczelka znajduje się pomiędzy dwoma płytami rewizyjnymi drzwi grzewczych! Wamsler K185F/A uszczelka szyby wewnątrz dla drzwi komory paleniskowej najważniejsze dane: sznur uszczelniający, uszczelka wymiary (szer./wys.) 10 mm x 3 mm długość 1,00 m samoprzylepny
Numer produktu: 01012993

148,23 zł*¹

Dostępny, czas dostawy: 4-6 dni